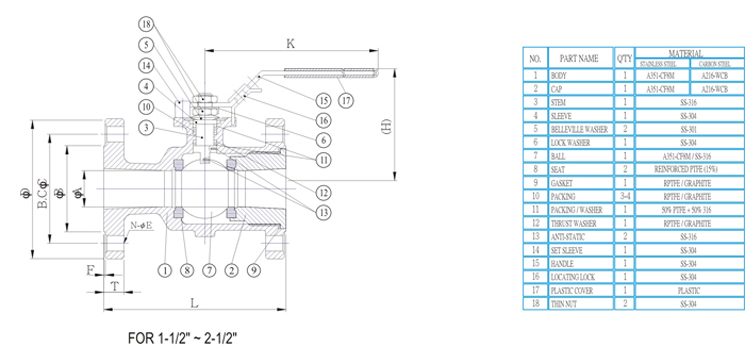
Ball VALVE | 1-PC Flanged Ball Valve |
R15-WB101B
  • Features
  • Specification
  • BLOW-OUT PROOF STEM
  • FIRE SAFE DESIGN AS OPTION
  • ANTI-STATIC DESIGN IS STANDARD
  • ISO 5211 MOUNTING PAD
  • TEMPERATURE RANGE: -6010 450° F
  • FACE TO FACE: ANSI Bl6. 10
  • FLANGE DIMENSIONS: ANSI B16. 50
  • WALL THICKNESS: ANSI B16. 34
  • PRESSURE RATING: ANSI 150#