Yi Shyang Machinery Co., Ltd.
Various Ball Valves Manufacture
company profile
products
contact us
Products
Ball Valve
1-PC NPT BW SW Ball Valve
1-PC Flanged Ball Valve
2-PC NPT BW SW Ball Valve
CAS
S85
TAD
YVC-B208CT
2-PC Flanged Ball Valve
F15 F30
PN16 PN40
YVT-B2R15F
3-PC Flanged Ball Valve
3-PC NPT BW SW Ball Valve
TPP TPL
YVC-B305CS
3-PC NPT BW SW High Performance Ball Valve
3-PC NPT BW SW Sanitary Ball Valve
3-way NPT BW SW Ball Valve
3-way TRI-CLAMP Ball Valve
4-way NPT BW SW Ball Valve
Check Valve
Gate Valve
Globe Valve
Strainer
Home
|
Products
|
Ball Valve
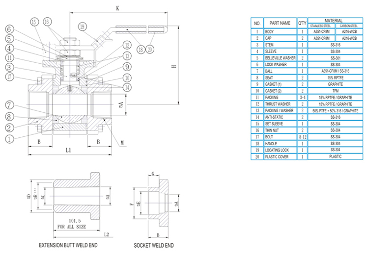
| 3-PC NPT BW SW High Performance Ball Valve |
MPH-WB304
Ball VALVE
| 3-PC NPT BW SW High Performance Ball Valve |
MPH-WB304
Feature
Specification
BLOW-OUT PROOF STEM
FIRE SAFE DESIGN AS OPTION
ANTI-STATIC DESIGN IS STANDARD
ISO 5211 MOUNTING PAD
TEMPERATURE RANGE: -60° T0450° F
PRESSURE RATING: 2200 PSI WOG